Виды используемого топлива в твердотопливных котлах
Твёрдое топливо — горючие вещества, основной составной частью которых является углерод. К твердому топливу относят каменный уголь, бурые угли, горючие сланцы, торф и древесину, отходы сельского хозяйства.
![]() |
![]() |
![]() |
![]() |
Выбор твердотопливного котла
Твердотопливные котлы часто применяются для отопления и нагрева воды в коттеджах и других сооружениях расположенных в тех районах, подведение к которым электричества или природного газа невозможно или является очень дорогостоящим. И в связи с резким подорожанием газа и электричества становятся отличной альтернативой .
Главным преимуществом твердотопливных котлов является общедоступность и невысокая стоимость используемого топлива , а также то, что многие модели твердотопливных котлов могут работать вообще без электричества.
Тепло, выделяемое при сгорании дров в 1,5-2 раза дешевле, чем тепло от газа, примерно в 3 раза - чем тепло от электричества.
Ниже приведена приблизительная таблица расчета экономии при использовании твердотопливного котла, для примера взят дом площадью 250 кв.м
| Тип отопления | Газовый котел | Электр. Котел | Пеллетный котел | Дровяной котел |
| Суммарные затраты 1 год (дом 250 кв.м ), цены осень 2015 | 58 250 | 91 264 | 36 235 | 43 694 |
| Ежегодная экономия по сравнению с газовым котлом | х | -33 013 | 22 016 | 14 557 |
Для каждого помещения сума экономии разная. Специлисты компании Сититерм готовы сделать для вас бесплатный расчет экономии при использовании твердотопливного котла.
+38 050 935-13-61, +38 097-186-06-25 +38 099 600-95-04
Что такое - пиролиз?
Пиролиз - термическое разложение органических соединений без доступа воздуха (древесины, нефтепродукто, угля и т.п.).
Пиролизный процесс - это распад сухого древесного топлива, в условиях дефицита кислорода, на летучую часть, называемую пиролизным газом и твердый остаток –древесный уголь.
Пиролиз древесины происходит при температуре 200 – 800°С. Пиролиз - экзотермический процесс, проходящий с выделением тепла, за счет чего, улучшается прогрев и сушка топлива в котле, и происходит подогрев поступающего в зону горения воздуха.
Смешение кислорода воздуха с выделившимся пиролизным газом при высокой температуре вызывает процесс горения последнего, который используется в дальнейшем для получения тепловой энергии. При этом следует отметить, что пиролизный газ в процессе сгорания взаимодействует с активным углеродом, в результате чего дымовые газы при выходе из котла практически не содержат вредных примесей, состоящие по большей части из смеси углекислого газа и водяного пара. И даже углекислого газа такой котел будет выбрасывать в атмосферу до трёх раз меньше, по сравнению с обычным дровяным и, тем более, угольным котлом.
В результате протекания процесса пиролиза выделяется минимальное количество золы, сажи и нагара, поэтому котел реже, чем обычный, нуждается в чистке.
Котлы с пиролизным сжиганием древесины (газогенераторные котлы) имеют больший КПД (до 85 %), чем традиционные твердотопливные котлы и позволяют автоматически регулировать мощность котла.
Влажность древесины и сроки высушивания
Как уже упоминалась, оптимальная влажность древесины, используемой в котлах, должна быть в пределах 20%. Влажной древесиной (влажность свыше 25%) отапливать помещение тоже возможно, но, соответственно, произойдёт увеличение расхода древесного топлива, так как хотя большая часть тепла и будет использоваться для отопления, но оставшаяся его часть будет уходить на высушивание и разогрев новой порции топлива.
Линейка оборудования твердотопливных котлов
![]() |
![]() |
![]() |
Твердотопливные котлы подразделяются по материалу изготовления: на чугунные и стальные, по принципу сгорания: на обычные твердотопливные и пиролизные.
Применяемое топливо в чугунных котлах:
- кокс для сжигания орех | (20-40 мм)
- каменный уголь орех | (20-40 мм)
- каменный уголь орех || (10-20 мм) или кубик (40-100 мм)
- дрова (длина полена до 0,5 м в зависимости от типоразмера котла)
- уголь или дрова в брикетах, гранулах или стружка
- бурый уголь и опилки применять не рекомендуется.
Применяемое топливо для стальных котлов:
- для S111 - 12, 16, 20, 24, 25MAX, 32 - бурый уголь орех (20-40 мм), теплота сжигания 16 МДж/кг, максимальная влажность 25%
- для S111 - 32D и 45D - дрова, теплота схигания топлива 16 МДж/кг, максимальная влажность 28% (длина полена до 0,33 м и 0,53 м соответственно, максимальный диаметр 0,1 м)
- второстепенное бурый уголь орех ||, бурый уголь в брикетах, прессованное топливо, кокс.
- каменный уголь и опилки применять не рекомендуется.
Применяемое топливо для пиролизных котлов:
- идеальное - использование древесного топлива.
Специалисты Сититерм бесплатно подберут оптимальный котел для вашего помещения. Звоните +38 050 935-13-61,+38 097-186-06-25 +38 099 600-95-04
Краткое описание Logano G221
![]() |
![]() |
![]() |
Отличительные особенности Logano G221 D:
• Поставка в собранном виде
• Мощность котла зависит от количества секций
• Оснащение заслонкой дымовых газов для регулирования тяги
• Простая загрузка топлива и чистка котла спереди
• Увеличенный объем загрузочной камеры путем уменьшения оребренных площадей теплообмена.
Система безопасности S1 + TS 130 для Logano G211
Устройство системы безопасности котла:
1 – Котел
2 – Обшивка котла
3 – Блок охладителя
4 – Медный змеевик
5 – Отвод 1/2”
6 – Труба 1/2”
7 – Переход 1/2” / 3/4”
8 – Термостат-вентиль
9 – Датчик термостата
10 – Воздухоотводчик 3/8”
11 – Подающий трубопровод
12 – Подающий теплоноситель в систему отопления
13 – Подача холодной воды из водопровода
14 – Сброс в канализацию
Внимание! На водопроводе должен быть установлен грязевик.
Поз. 5-10 не входят в объем поставки группы безопасности.
Краткое описание Logano S111
Отличительные особенности Logano S111:
- Поворотная колосниковая решетка для простого удаления золы
- Регулирование вторичного воздуха для достижения наилучшего горения
- Оснащение регулируемой заслонкой дымовых газов
- Простая загрузка топлива и чистка котла сверху
- Увеличенный объем загрузочной камеры (в котлах типа "D")
- Оснащение интегрированным теплообменником для термической защиты в закрытых системах отопления для котлов типа S111 WT
Система безопасности S111 WT

Краткое описание Logano S121
Пиролизный стальной котел для эффективного сжигания древесины.

Отличительные особенности Logano S121 WT:
• Объемная загрузочная камера
• КПД до 85% (на 4-7 % выше чем у обычных котлов)
• Регулирование вторичного воздуха для достижения наилучшего горения
• Оснащение регулируемой заслонкой дымовых газов
• Простая загрузка топлива и чистка
• Оснащение интегрированным теплообменником для термической защиты
Процесс сгорания (распределение энергии)
Дымоход с хорошей тягой является главной предпосылкой для правильного функционирования котла отопления. Это существенно влияет на его производительность и экономичность. Отопительный котёл разрешается подключать только к дымоходу с наличием тяги, требуемой нормативными документами. Для расчёта необходимо учитывать динамическую массу дымовых газов при суммарной номинальной теплопроизводительности. Эффективная высота дымовой трубы измеряется от места присоединения дымоотвода котла к дымовой трубе.
Процесс горения твердого топлива состоит из следующих стадий:
- подсушка топлива и нагревание до температуры начала выхода летучих веществ;
- воспламенение летучих веществ и их выгорание;
- нагревание топлива до воспламенения;
- выгорание горючих веществ из топлива.
Эти стадии иногда частично накладываются одна на другую.
Конструкция Logano S121
![]() |
![]() |
![]() |
Подключение Logano S121
Твердотопливные котлы поставляются с вентилятором и регулятором для защиты котла и регулирования мощности.
Краткое описание BUDERUS Logica
Характеристики стального твердотопливного котла Buderus Logica для сжигания различных видов древесины и угля:
• 3 типоразмера 50, 70, 100 кВт
• КПД до 81%
• Оснащен регулятором и вентилятором
• Большая загрузочная камера обеспечивает длительное горение до 24 часов
Особенности конструкции Logica:
|
|
Применение только через буферные емкости для закрытых систем!
Буферная емкость
• Удобство эксплуатации, сравнимое с другими современных отопительными котлами
• Оптимальное теплоснабжение даже при минимальной нагрузке
• Обслуживание и загрузку можно производить в удобное время дня
• Предотвращение срабатывания термической защиты
• Функционирование при полной нагрузке.
Как следствие:
• Повышенный уровень КПД
• Пониженная эмиссия, благодаря оптимальным температурам для сжигания топлива
• Отсутствие остатка топлива в камере сгорания
• Выше долговечность
• Экономичность работы
Буферная емкость твердотопливного котла хранит выработанное периодически работающими твердотопливными котлами. Вследствие этого эксплуатация отопительной установки cтановится более эффективной.
Требование:
Буферная емкость должна принимать как минимум тепло, производимое разовой загрузкой котла!
VPu=13,5*Qk*bk - формула расчета буферной емкости
Пример:
Древесный стальной котел: Logano S 111 – 25
Производительность котла:27 кВт
Продолжительн. горения при номин. мощности: ок.4 часов
VPu=13,5*27*4=1458 литров
Буферные накопительные отопительные емкости Logalux PS:
• емкость 500, 750, 850 и 1000 л;• изоляция на выбор – 70 и 100 мм, поставляется отдельно;
• рабочие параметры –3 бар, 95 град. С;
• хорошая цена;
• поставка со склада;
• дополнительное оснащение - гильзы для датчиков температуры, термометра.
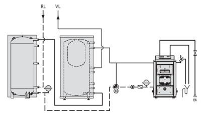
Примеры подключение буферных емкостей
![]() |
![]() |
![]()
Если у вас возникли какие-либо вопросы по выбору, монтажу, ремонту твердотопливных котлов, пожалуйста, обращайтесь по тел. +38 050 935-13-61,+38 097-186-06-25 +38 099 600-95-04 будем рады помочь.
| < Предыдущая | Следующая > |
|---|
























